Многогранная опора АМ110-1
Наличие
Есть
Доставка
По России и СНГ
Оплата
Безналичный расчет
Технические характеристики
Описание
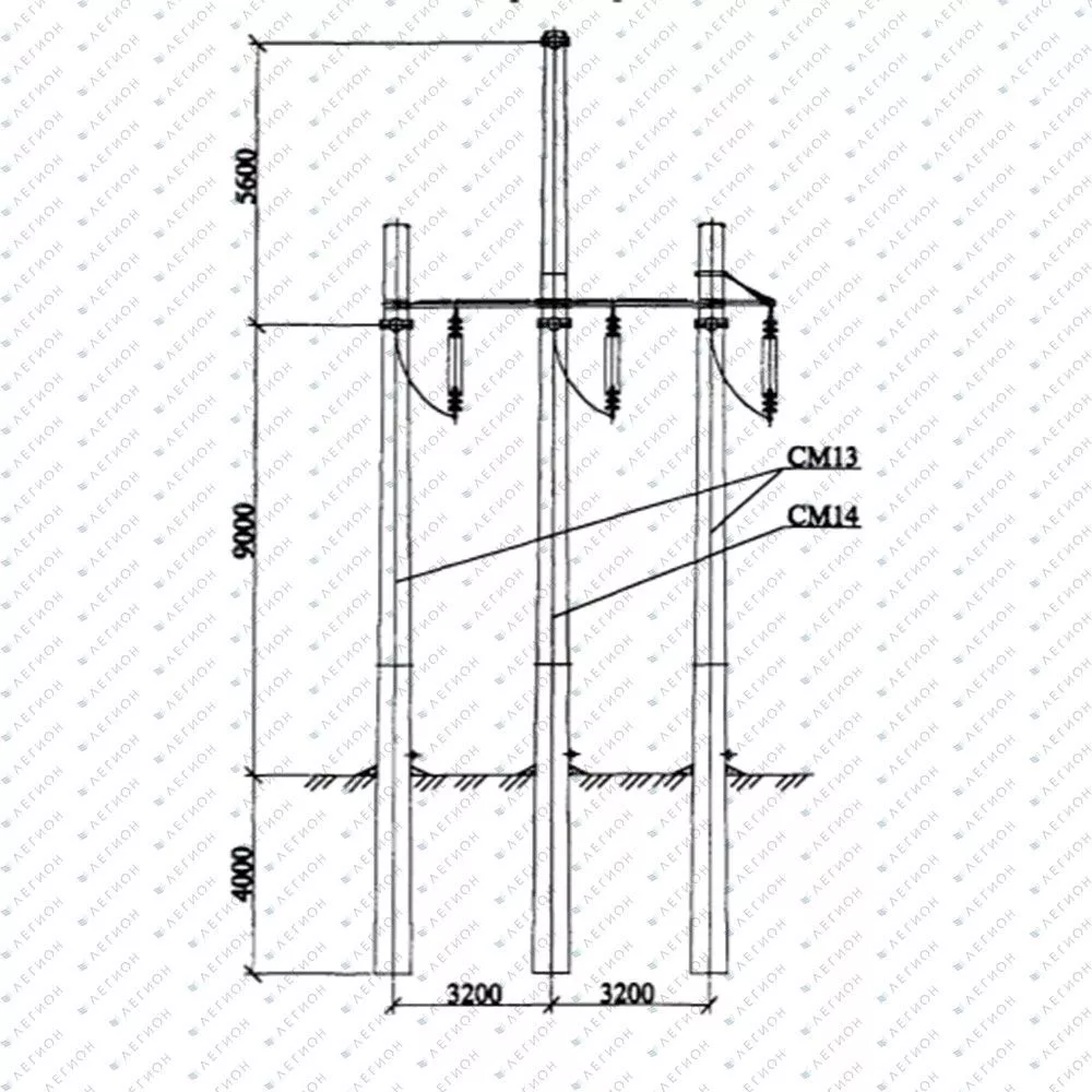
Многогранная опора ЛЭП АМ110-1 представляет собой трехстоечную свободностоящую конструкцию, предназначенную для строительства воздушных линий электропередачи напряжением 110 кВ. Опора выполнена в виде пространственной решетчатой системы из трех граненых стоек диаметром 750 мм в нижней части и 465(403) мм в верхней, соединенных в общий узел на высоте. Общая высота конструкции составляет 11(14,8) метров, при этом высота до нижней траверсы равна 9 метрам. Расстояние между стойками в плане — 3,2 метра. Конструкция оснащена узлом крепления для одного грозотроса и изготавливается из углеродистой стали марки С245, что гарантирует работоспособность при температуре до –40 °С.
Монтаж опоры осуществляется на заранее подготовленные фундаменты под каждую стойку. Для защиты от коррозии, обеспечивающей исключительную долговечность, вся металлоконструкция подвергается горячему цинкованию по ГОСТ 9.307-2021. Данный тип покрытия является основным и наиболее надежным для ответственных энергетических объектов.
Применение
Опора АМ110-1 предназначена для использования в качестве промежуточной или анкерной опоры на трассах воздушных линий электропередачи класса напряжения 110 киловольт. Конструкция применяется при строительстве и реконструкции магистральных и распределительных ЛЭП. Модель рассчитана для эксплуатации в ветровых районах I–V и гололедных районах I–IV, что определяет ее использование в большинстве климатических зон России. Опоры данного типа являются ключевым элементом энергетической инфраструктуры.
Преимущества практического использования
Трехстоечная свободностоящая конструкция обеспечивает высокую пространственную жесткость и способна воспринимать значительные проектные нагрузки, действующие как вдоль, так и поперек трассы ЛЭП. Применение стали С245 и горячего цинкования гарантирует коррозионную стойкость и срок службы конструкции до 75 лет, что значительно превышает стандартные нормы. Унифицированные геометрические параметры (расстояние между стойками 3,2 м, высоты 11/14,8 м) позволяют эффективно использовать опору в типовых проектах ВЛ 110 кВ. Конструкция рассчитана на работу в широком диапазоне климатических воздействий (ветровые районы I-V, гололедные I-IV), обеспечивая надежность энергоснабжения. Большой диаметр стоек (до 750 мм) в основании гарантирует требуемую устойчивость и несущую способность.
Купить Многогранная опора АМ110-1
Для заказа многогранной опоры ЛЭП АМ110-1 и получения подробных спецификаций обратитесь в отдел продаж НПО «Легион». Наши специалисты предоставят детальные чертежи, подтвердят соответствие нагрузкам вашего проекта и подготовят коммерческое предложение. Мы обеспечим изготовление и поставку опор с гарантией качества покрытия. Для консультации и расчета стоимости звоните по телефону 8(800)500-51-37 или направляйте техническое задание на электронную почту info@legionural.ru.
Похожие товары
Голосов 10 Рейтинг 4.1